新闻分类

产品分类

热门关键词

联系我们

milan米兰官网入口

网址:www.jwenta.com

地址:江西省吉安市安福县工业园区振兴大道

☎电话:(0796)7636 266

✍传真:(0796)7635 777

客服热线:(0796)7636 266


南昌办:南昌市青山湖区南昌大学科技园589号

☎电话:(0791)8851 1882

手机:135 7604 3305

✍传真:(0791)8851 1882

邮箱: jxysbsn@163.com

客服热线:(0791)8851 1882


江西银杉白水泥(集团)景德镇乐平工厂

☎电话:(0798)6701658

✍传真:(0791)6701999

客服热线:(0791)88511882

地址:江西省景德镇乐平塔山工业园

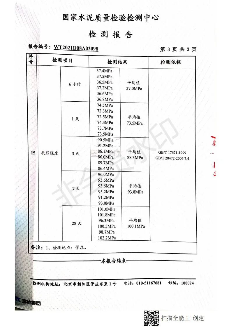
【银杉出品,必属精品】全球首款超高白度硫铝酸盐胶凝材料通过国家检测,白度高达93度!强度6小时37MPa,28天100MPa!

您的当前位置: 首 页 >> 新闻资讯 >> 公司新闻

【银杉出品,必属精品】全球首款超高白度硫铝酸盐胶凝材料通过国家检测,白度高达93度!强度6小时37MPa,28天100MPa!

发布日期:2022-02-14 作者:银杉白水泥 点击:

图片

经过1个多月的检测,银杉开发的全球首款超高白度硫铝酸盐胶凝材料已于近日通过国家水泥质量检验检测中心测试,测试结果显示白度高达93度!强度6小时37MPa,28天100MPa! 以下是详细的检测报告:

图片

图片

图片

图片

图片

本品兼具快硬早强、低碱、自应力等特点,可广泛应用于GRC 构件、水泥制品与预制构件、无机人造石、装饰砂浆、装饰混凝土、室内外自流平、防水堵漏、灌浆料、桥梁道路水海工程等。与白色硅酸盐水泥搭配具有更高性价比。


图片


主要性能特点如下:

  • 早强、高强:六小时抗压强度达到25MPa及以上,一天抗压强度达到60MPa及以上,三天达到70MPa及以上,随着养护龄期增长强度还不断增长。

  • 高白度:白度高达91度及以上。

  • 低碱度:碱度系数小于10.5,抗泛碱性能好

  • 微膨胀低干缩:体积变化率小,自由膨胀率超过0.03%

  • 高抗冻性:在0~10℃低正温使用,早期强度是波特兰水泥的5~6倍;在0~-20℃加少量外加剂,3~7天强度可达到设计标号的70~80%,冻融循环300次,强度损失不明显;

  • 高抗渗性:水泥石结构致密,混凝土抗渗性能是同标号硅酸盐水泥的2~3倍;

  • 抗碳化性能好,抗腐蚀性能好:尤其是抗海水腐蚀性能优于高抗硫波特兰水泥,抗腐蚀系数大于1。


银杉公司立于特种水泥应用领域前沿,不断深入研究,旨在为客户提供更符合客户需求的产品和专业的技术支持。银杉高端白色特种无机胶凝材料,凝聚匠心智慧,铸就行业标杆!如欲咨询或采购,请联系各片区销售经理。


本文网址:/news/416.html

相关标签:银杉,硫铝水泥,白色,检测报告

最近浏览:

在线客服
分享 一键分享